企業情報製品情報対応可能な法規・規格検査代行採用情報HOME

製品情報:クリーン容器

電子工業・医療・食品用途に最適な洗浄度を実現しております。

500cc容器
500cc容器(φ18、φ25) 口径:φ15 材質:SUS304 表面処理:内面:酸洗 外面:HL研磨 [仕様選択] パッキン:□発泡ポリエチレン □ハイシ−ト □EPDM □バイトン □パ−フロ
口径:φ25 材質:SUS316 表面処理:内面:酸洗 外面:HL研磨 [仕様選択] パッキン:□発泡ポリエチレン □ハイシ−ト □EPDM □バイトン □パ−フロ

1L容器
1L容器(φ15、φ25、φ50) 口径:φ15 材質:SUS304 表面処理:内面:電解研磨 外面:HL研磨 [仕様選択] パッキン:□発泡ポリエチレン □ハイシ−ト □EPDM □バイトン □パ−フロ
口径φ25  材質:SUS316 表面処理:内面:酸洗 外面:HL研磨 [仕様選択] パッキン:□発泡ポリエチレン □ハイシ−ト □EPDM □バイトン □パ−フロ
口径:φ50 材質:SUS304 表面処理:内面:電解研磨 外面:HL研磨 [仕様選択] パッキン:□発泡ポリエチレン □ハイシ−ト □EPDM □バイトン □パ−フロ

18L容器
18L容器 [仕様選択] 材質:□SUS304 □SUS316 □SUS316L 表面処理:□内面:酸洗 外面:HL □内外面:電解研磨 カプラプラグサイズ:ガス側 □1P  □2P 液側 □1P □2P カプラプラグOリング:□EPT □バイトン □パ−フロ フランジパッキン:□PTFE(無垢) □PTFE(包み) □EPDM □バイトン エア抜き弁弁座パッキン:□EPDM □バイトン □パ−フロ

100L容器
100L容器 [仕様選択] 材質:□SUS304 □SUS316 □SUS316L 表面処理:□内面:酸洗 外面:バフ400研磨 □内面:電解研磨 外面:バフ400研磨 カプラプラグサイズ:ガス側 □2P  □3P 液側 □4P □6P カプラプラグOリング:□EPT □バイトン □パ−フロ フランジパッキン:□PTFE(無垢) □PTFE(包み) □EPDM □バイトン エア抜き弁弁座パッキン:□EPDM □バイトン □パ−フロ

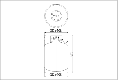
200L容器
200L容器  (通常タイプ, 安価タイプ) [仕様選択] 材質:□SUS304 □SUS316 □SUS316L 表面処理:□内面:酸洗 外面:バフ400研磨 □内面:電解研磨 外面:バフ400研磨 カプラプラグサイズ:ガス側 □2P  □3P 液側 □4P □6P カプラプラグOリング:□EPT □バイトン □パ−フロ フランジパッキン:□PTFE(無垢) □PTFE(包み) □EPDM □バイトン エア抜き弁弁座パッキン:□EPDM □バイトン □パ−フロ